y3leee@gmail.com

+82 31 404 5531

특장점

굴삭기에 장착하여 사용하는 바이브로 햄머는 토목 및 건설현장,

흙막이 공사에 필요한 H-BEAM, SHEET PILE 압입, 인출에 최적화된 장비입니다.

    • 크레인 작업대비 우수한 유지비용

    • 협소공간 및 복잡한 시가지에서의 기동성

    • 굴삭기의 유압라인을 활용하여 작동되므로 별도의 동력원이 필요하지 않음

    • 도심지 및 모든 토목현장의 흙막이공사, 가시설공사등의 현장에 적용가능

    • 360도 자동회전 기능으로 파일 작업시 방향전환이 편리함

    • 검증된 고품질의 방진고무 적용으로 굴삭기로 전달되는 진동을 차단하고, 강력한 진동에서 내구성이 뛰어남

    • 고속회전에 적합한 특수베어링 적용으로 내구성 향상

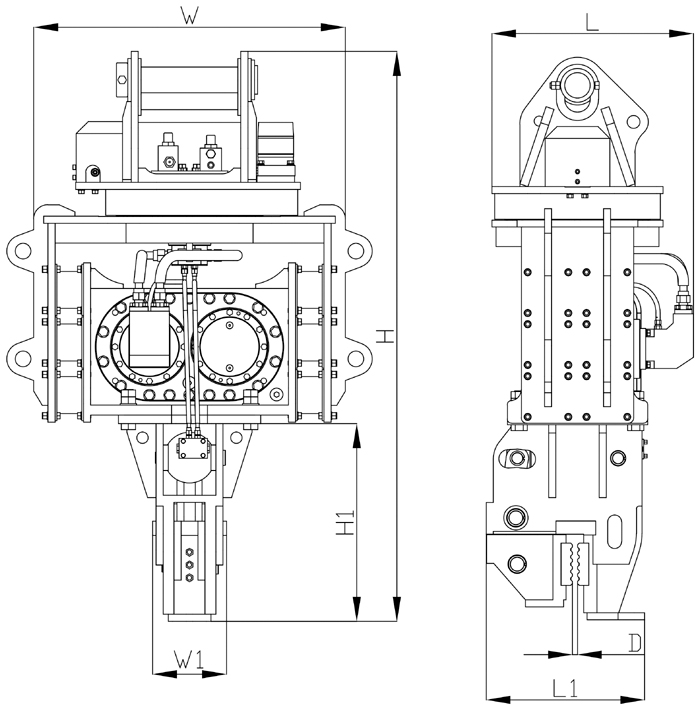
SPECIFICATION & DIMENSION

MODEL Unit SVH30 SVH35 SVH45
Eccentric Moment kg.m 6 10 16
Centrifugal Force kN 640 1,000 1,500
Max Amplitude mm 10 18 25
Inch 0.31 0.47 0.98
Max. Frequency rpm 2,700 2,700 2,700
Oil Flow ℓ/m 170 ~ 210 180 ~ 240 200 ~ 250
Hydraulic Pressure bar 200 ~ 250 250 ~ 300 270 ~ 320
psi 2,900 ~ 3,600 3,600 ~ 4,350 3,910 ~ 4,640
Slewing degree 360 360 360
DIMENSION Height(H) mm 1,964 2,035 2,111
inch 77 80 83
Length(L) mm 729 729 805
inch 29 29 31
Width(W) mm 1,077 1,135 1,214
inch 42 44 47
Weight kg 1,690 1,800 1,950
lbs 3,725 3,968 4,299
Application Excavator ton 20 ~ 32 33 ~ 39 42 ~ 55

현장사진

Comments are closed.